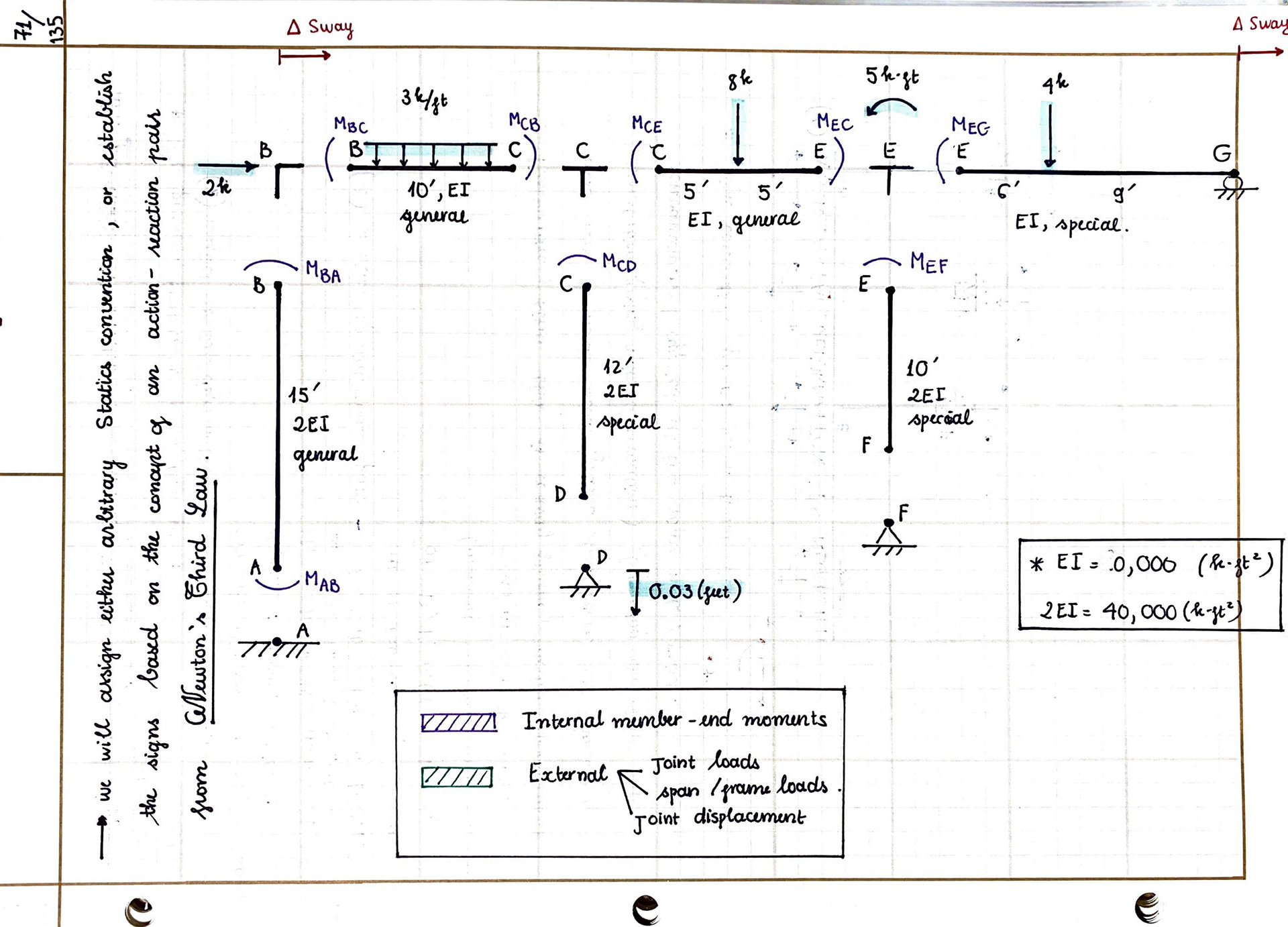
Structural Analysis of a Sway frame using (1) the Slope Deflection method (2) the Moment Distribution method (3) the Matrix Stiffness method